分类

原理:
所谓真空干燥,就是将被干燥物料处在真空条件下,进行加热干燥,并利用真空泵进行抽气抽湿,加快了干燥速率。
流程图:



应用范围:
适用于在高温下易分解,聚合和变质的热敏性物料的低温干燥;被广泛地采用在制药、化工、食品、电子等行业。
产品特点:
1、真空下物料溶液的沸点降低,使蒸发器的传热推动力增大,因此对一定的传热量可以节省蒸发器的传热面积。
2、蒸发操作的热源可采用低压蒸汽或废热蒸汽。
3、蒸发器热损失少。
4、在干燥前可进行消毒处理,干燥过程中无任何不纯物混入,符合GMP要求。
5、属于静态真空干燥器,故干燥物料的形体不会损坏。
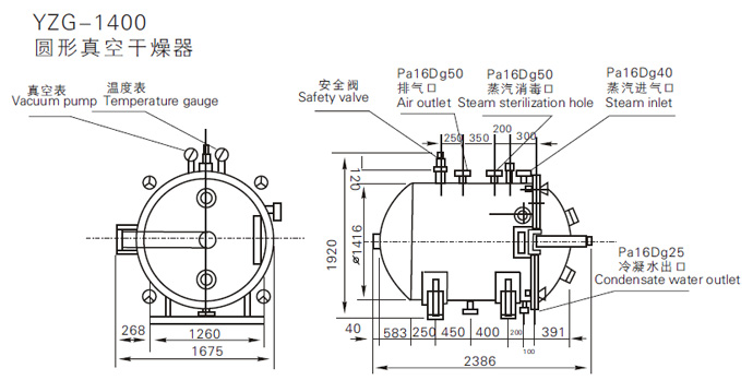
技术参数:
规格名称 | YZG-00 | YZG-00 | YZG-1000 | YZG-1400A | FZG-10 | FZG-15 | FZG-20 |
干燥箱内尺寸(mm) | ø600×976 | ø800×1247 | ø1000×1527 | ø1400×2054 | 1500×1060× | 1500×1400× | 1500×1800× |
干燥箱外尺寸(mm) | 1135×810 | 1700×1045 | 1693×1190 | 2380×1675 | 1924×1720× | 1513×1924× | 1924×2500× |
烘架层数 | 4 | 4 | 6 | 8 | 5 | 8 | 12 |
层间距离(mm) | 81 | 82 | 102 | 102 | 122 | 122 | 122 |
烘盘尺寸(mm) | 310×600×45 | 520×410×45 | 520×410×45 | 460×640×45 | 460×640×45 | 460×640×45 | 460×640×45 |
烘盘数 | 4 | 8 | 12 | 32 | 20 | 32 | 48 |
烘架管内允压(MPa) | ≤0.784 | ≤0.784 | ≤0.784 | ≤0.784 | ≤0.784 | ≤0.784 | ≤0.784 |
箱内温度(℃) | 35-150 | 35-150 | 35-150 | 35-150 | 35-150 | 35-150 | 35-150 |
箱内空载真空度(MPa) | -0.1 | -0.1 | -0.1 | -0.1 | -0.1 | -0.1 | 0.1 |
在-0.1℃MPa,加热温度110℃时, | 7.2 | 7.2 | 7.2 | 7.2 | 7.2 | 7.2 | 7.2 |
用冷凝器时,真空泵型号、 | 2X-15 2KW | 2X-30A 3KW | 2X-30A 3KW | 2X-70A | 2X-70A | 2X-70A | 2X-90A |
不用冷凝器时,真空泵型号、 | SZ-0.5 | SZ-1 | SZ-1 | SZ-1 | SZ-2 | SZ-2 | SZ-2 |
干燥箱重量(Kg) | 250 | 600 | 800 | 1400 | 1400 | 2100 | 3200 |